Top 3 sản phẩm bồn tiểu Inax giá rẻ nhất tại Inaxbm
Bồn tiểu inax giá rẻ, thường là bồn tiểu nam sẽ rẻ hơn bồn tiểu nữ.
Là dòng sản phẩm thiết bị vệ sinh inax thường sử dụng trong các toilet hoặc phòng vệ sinh công cộng, giúp cho việc vệ sinh toilet được dễ dàng và gần như tự động.
Sau đây Inaxbm (Inax Bùi Minh) xin giới thiệu đến bạn đọc 3 sản phẩm bồn tiểu Inax giá rẻ nhất hiện đang bán ưu đãi tại Inaxbm.com của Bùi Minh Trading.

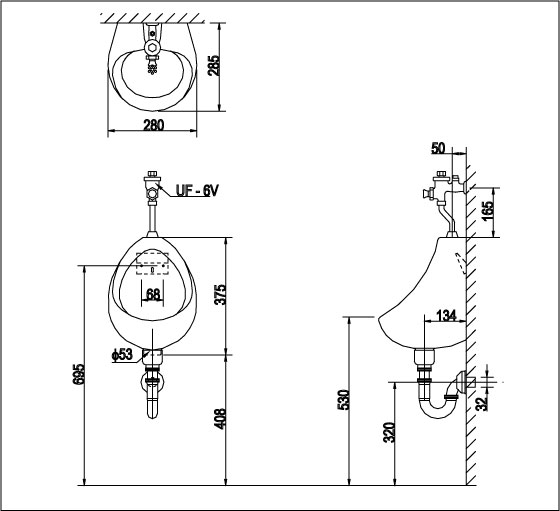
Bản vẽ kĩ thuật
Thông tin cơ bản bồn tiểu nam INAX U-116V
- Bồn tiểu nam INAX U-116V cải tiến tiết kiệm nước, chống bám bẩn đến từ thương hiệu thiết bị vệ sinh INAX
- Đã bao gồm gioăng nối tường UF-13AWP(VU)
- Không bao gồm bộ xả
- Màu sắc: Trắng
- Kích thước: 285 x 280 x 375mm
- Chỉ sữ dụng được với van xả UF-6V
Tính năng chậu tiểu nam treo tường U-116V INAX
- Công nghệ chống bám bẩn PROGUARD
- Bệ tiểu được thiết kế nhỏ gọn, tiện dụng tạo nên không gian đẹp
- Chế độ xả thẳng, đều mạnh mẽ, tiết kiệm nước
- Phù hợp với điều kiện áp lực nước thấp
Sản phẩm hiện đang được bán tại Inaxbm với giá ưu đãi: 580.000 đ
2. Bồn tiểu treo tường inax U-117V
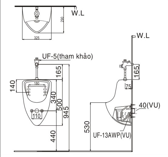
Bản vẽ kĩ thuật
Thông tin cơ bản bồn tiểu nam INAX U-117V
- Bồn tiểu nam INAX U-117V cải tiến tiết kiệm nước, chống bám bẩn đến từ thương hiệu thiết bị vệ sinh INAX
- Đã bao gồm gioăng nối tường UF-13AWP(VU)
- Không bao gồm bộ xả
- Màu sắc: Trắng
- Kích thước: 285x269x531
- Phù hợp với loại van xả: UF-6V
Tính năng chậu tiểu nam INAX U 117V
- Công nghệ chống bám bẩn PROGUARD
- Bồn tiểu được thiết kế nhỏ gọn, tiện dụng tạo nên không gian đẹp
- Chế độ xả thẳng, đều mạnh mẽ, tiết kiệm nước với mục xả 2L
- Phù hợp với điều kiện áp lực nước thấp
Sản phẩm hiện đang được bán tại Inaxbm với giá ưu đãi: 1.180.000 đ
3. Bồn Tiểu Nam Inax U-440V Treo Tường
Thông tin cơ bản bồn tiểu nam INAX U-440V
- Bồn tiểu nam INAX U-440V cải tiến tiết kiệm nước, chống bám bẩn đến từ thương hiệu thiết bị vệ sinh INAX
- Đã bao gồm gioăng nối tường UF-13AWP(VU)
- Màu sắc: Trắng
- Kích thước:325 x 290 x 500 mm
- Phù hợp với loại van xả: UF-5V , OKUV-120S(A/B) , OKUV-32SM , UF-3VS
Tính năng chậu tiểu nam INAX U 440V
- Công nghệ chống bám bẩn PROGUARD
- Bồn tiểu được thiết kế nhỏ gọn, tiện dụng tạo nên không gian đẹp
- Chế độ xả thẳng, đều mạnh mẽ, tiết kiệm nước với mục xả 2L
- Phù hợp với điều kiện áp lực nước thấp
Sản phẩm hiện đang được bán tại Inaxbm với giá ưu đãi: 1.300.000 đ
Quý khách muốn tham khảo thêm các sản phẩm khác nữa, hoặc mua ngay sản phẩm này, liên hệ ngay:
Công ty TNHH TM Bùi Minh
Đ/c: BT3 Lô 8, KĐT Vinaconex 3, Trung Văn, Nam Từ Liêm, Hà Nội
Website: https://Inaxbm.com
Tel: 04.22130088 - 0968.458.885
Email: hotro@bm8.vn
Fanpage: https://www.facebook.com/bm8.vn
BẠN MUỐN XEM SẢN PHẨM VÀ TIN HOT KHÁC, XEM NGAY TẠI: INAXBM


Nhận xét
Đăng nhận xét